Additive manufacturing of ceramic parts through Fused-Filament-Fabrication (FFF)

Project

SiC/SiC fiber-reinforced green body made by FFF.
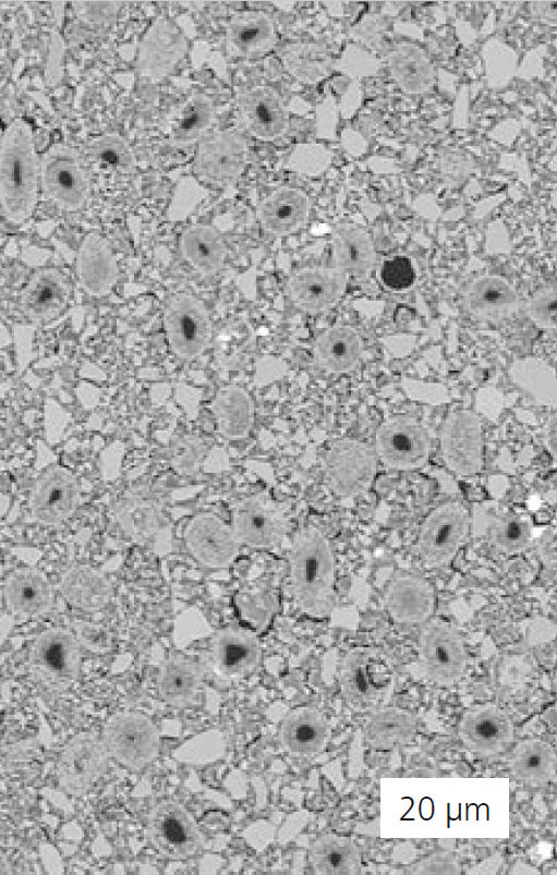
Microstructure of a SiC/SiC green body.
SiC/SiC fiber-reinforced green body made by CerAM FFF.

High-performance ceramics are already widely used in a number of applications in the areas of industry, research and consumer goods. At the same time, demand for complex geometries with a wide range of customization options and favorable manufacturing processes is increasing continuously.

The additive shaping process of fused-filament-fabrication (FFF) enables producing large and complex components quickly with high material efficiency. In FFF, a thermoplastic endless filament is melted and deposited under a heated nozzle. The print head movement is computer-controlled, building up the desired shape, layer by layer. FFF is the most widely used process within the field of commercial additive manufacturing of components. Devices are available from various manufacturers for as little as a few hundred US dollars. So far, however, this has only been true for the production of polymer components, such as PLA, ABS, PA, PET or PEEK, or for elastic components made from TPE or TPU.

Therefore, Fraunhofer IKTS works on adapting the process for the additive manufacturing of ceramic components (CerAM FFF). The green bodies are exclusively produced in an additive process, before being debindered and sintered, as in any conventional shaping process for ceramic components. Initially, filaments based on a feedstock of SiC powders were successfully produced and processed in the standard 140L printer from HAGE Sondermaschinenbau GmbH & Co. KG. As the next step of material development, the feedstock was reinforced with SiC short fibers. SiC materials with a SiC fiber content of up to 30 vol % were successfully realized and processed.

Through subsequent infiltration with ceramic precursors and pyrolysis, it was possible to further densify the components. A typical part and microstructure of a material produced with CerAM FFF is shown in Figures 1 and 2. These investigations helped to demonstrate the high potential of this new additive manufacturing method for ceramic fiber composite materials (CMC) in various applications, e.g. in the aerospace or energy engineering sectors. Further development stages looked at the production of components based on Al2O3, WC-Co and Si3N4. Final sintering resulted in materials with a relative density of > 99 %. Figure 3 shows an example of a sintered Al2O3 component.

The results for the production and processing of filaments on the basis of a wide variety of ceramics, as obtained in the current state of development, open up wholly new possibilities for further fields of application. Of particular interest is the simultaneous processing of several materials in order to combine properties such as electrically conductive and insulating, hard and ductile, or different colors within a complex component. In this way, components can be functionalized or provided for decorative purposes.